MM 0 1 7 Brake Fluid Change

  • Thread starter Thread starter aapitten
  • Start date Start date
  • Replies Replies 98
  • Views Views 49K
Not sure why this is such a big deal. To anyone who doesn’t want to do the fluid change, just clear the code on the maintenance minder and move on. That’s my plan. Clearing the item is a 15 second at-home process.

The code will be back again in 3 years, and we can make another decision on whether it’s worth doing or not at 6 years of age.
Electronic brake fluid testers cost between $10 and $27 on Amazon (a lot cheaper than having the dealer change the brake fluid). If one of these testers says my 3-year old Clarity's brake fluid is OK, is that good enough?
 
If an owner has the Honda Care extended warranty, I would suggest that the owner be able to prove to Honda that the brake fluid was changed according to the maintenance schedule. I will need to change mine this Spring and I am still waiting for someone to post the Honda Tech pages that show how to do so. I have read that many that have tried to do so themselves on the Accord Hybrid, using the standard manual technique, end up with a DTC that needs to be corrected (or reset?) by a Honda dealer.

LeoP
 
Here’s a link from brad on cars
He did a brake fluid change on his Honda clarity.
At time 14:38 in the video he shows you how to reset the maintenance minder
 
Electronic brake fluid testers cost between $10 and $27 on Amazon (a lot cheaper than having the dealer change the brake fluid). If one of these testers says my 3-year old Clarity's brake fluid is OK, is that good enough?

If it makes you happy yes. A good tester costs closer to $400 so keep in mind you get what you pay for. I have no intention of changing mine ever. Nor testing it. Never have on any other car I’ve owned. Will trade the car in before battery warranty expires which is long before brake fluid will cause any concern for me. Will never take the cap off the reservoir either save for doing an actual brake or replacement, which is equally likely to never be needed on his car in my ownership. Vast majority of cars on the road have never seen a brake fluid change until/unless they have had lines or calipers replaced.

For those who disagree with ignoring this, I encourage you to change the fluid.
 
Being one of those people who will just follow the guidance of the manufacturer because I'm too ignorant about all things auto-mechanical, I have a slightly different question.

I just took in my 2018 Clarity for the A017 service including the brake fluid flush. Initially, I was quoted $110 for the service. However, I got a call saying that because the Clarity has a "Two-stage system" or something like that, the cost will actually by $250.

Does this make any sense to any of you more knowledgeable people. I told them to go ahead, but would love some evidence that the brake system in the Clarity is no different than the Civic or Accord. Help!
 
I just took in my 2018 Clarity for the A017 service including the brake fluid flush. Initially, I was quoted $110 for the service. However, I got a call saying that because the Clarity has a "Two-stage system" or something like that, the cost will actually by $250.

I’d start with a firm “You gave me a price for the work that you knew needed to be performed.” That’s their job and they know exactly how much to charge for each bit of routine, scheduled maintenance.

Then I’d ask for an explanation of the “two stage system” so that you have a better understanding of your vehicle. If they don’t agree to the original estimate, I’d be sure to inform them that my answers to the customer satisfaction survey may not meet their expectations.
 
I’d start with a firm “You gave me a price for the work that you knew needed to be performed.” That’s their job and they know exactly how much to charge for each bit of routine, scheduled maintenance.

Then I’d ask for an explanation of the “two stage system” so that you have a better understanding of your vehicle. If they don’t agree to the original estimate, I’d be sure to inform them that my answers to the customer satisfaction survey may not meet their expectations.
Ok. So, apparently it is a 2-STEP system. They need to perform the bleeding process once with the ignition off and then repeat exactly the same thing with the ignition on. He showed me documents from Honda warranty "time estimates" for a brake fluid flush in the Accord compared to the Clarity (Accord is 30 minutes; Clarity is 1-hr).

After some gentle and kind pleading, he agreed to take about $50 off the bill.
 
He showed me documents from Honda warranty "time estimates" for a brake fluid flush in the Accord compared to the Clarity (Accord is 30 minutes; Clarity is 1-hr).

Thanks for the info. $250 does seem high for one hour of labor and a squirt of fluid that only costs them a few bucks. I’m curious to know if any of the DIYers did the 2-step method.
 
An initial comment is that an extra $140 charge for an additional 1/2 hour of time seems high. This might partly be the result of Honda's two man bleeding procedure as described below.

Second, I think that the Clarity PHEV braking system is very similar to that of the later model Hybrid Accord. I have compared the under the under the hood system of our Clarity PHEV to pictures of the Hybrid Accord system and they look about the same. I mention pictures because I have been looking for the brake bleeding procedure for our Clarity. Early last year, some Hybrid Accords were recalled to replace an electric motor in the braking system. The recall necessitated Honda making public the service bulletin:

https://static.nhtsa.gov/odi/tsbs/2020/MC-10170609-0001.pdf

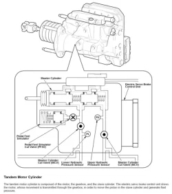
This service bulletin gives the bleeding procedure after the motor is replaced. As well as initially bleeding at the four wheels, the tandem motor cylinder cylinder needs bleeding (at two bleed screws) as the motor replacement opens the hydraulic system to the air. Then, the calipers at the four wheels need a second bleeding. It is interesting to note that procedure described for the Hybrid Accord does not mention turning on the ignition and that the whole procedure described is done while the battery is disconnected. Also, there are no special tools, electronic procedures, or even pressure bleeding mentioned.

I am still looking for the bleeding procedure that is specifically for the Clarity PHEV although I had thought that the procedure for the Hybrid Accord would be identical. If I cannot find anything freely available online, I will probably have to sign up for one day's access to the Honda Tech website. My plan was to do vacuum bleeding just at the four wheels to exchange the brake fluid. After Rajiv's post, I am concerned that I will need to follow a more complicated procedure and also bleed at the bleed screws at the tandem cylinder (on the passenger side firewall). However, there have been posts on the Internet of people just doing vacuum bleeding at just the four wheels of the Clarity PHEV. BTW, I think one can exercise the ABS system by just braking hard on sand or gravel. This how I bleed the ABS part of our 1995 Accord (replaced by the Clarity PHEV) after replacing the master cylinder.

LeoP
 
After Rajiv's post, I am concerned that I will need to follow a more complicated procedure and also bleed at the bleed screws at the tandem cylinder (on the passenger side firewall). However, there have been posts on the Internet of people just doing vacuum bleeding at just the four wheels of the Clarity PHEV.

Great info. The Clarity PHEV also has a tandem motor cylinder. Unknown to me if it is the same part from the Accord. My first thought when it was mentioned that the power needed to be on for the second step of the bleeding process was that the appropriate valves, including the pedal feel simulator, would be in the correct, open/closed, position for the procedure. Again, I don’t know if the Accord and Clarity share the same TMC. Too lazy to look up the part numbers. It could be a case of different car/part, different procedure.
57BE1DFB-3664-4A2B-9AB0-DF674A36FFEB.webp


I appreciate the effort on your part to find the info. It was also interesting to note that the shop time for replacing the TMC and bleeding the system was only 1.7 hours. It would also seem to be necessary to require two people for the brake fluid bleeding process on just about any vehicle, so that should be factored into the labor estimate. I certainly wouldn’t be terribly impressed with a shop that didn’t know how to perform the work prior to providing an estimate.
 
Last edited:
Great info. The Clarity PHEV also has a tandem motor cylinder. Unknown to me if it is the same part from the Accord. My first thought when it was mentioned that the power needed to be on for the second step of the bleeding process was that the appropriate valves, including the pedal feel simulator, would be in the correct, open/closed, position for the procedure. Again, I don’t know if the Accord and Clarity share the same TMC. Too lazy to look up the part numbers. It could be a case of different car/part, different procedure.
View attachment 10571

I appreciate the effort on your part to find the info. It was also interesting to note that the shop time for replacing the TMC and bleeding the system was only 1.7 hours. It would also seem to be necessary to require two people for the brake fluid bleeding process on just about any vehicle, so that should be factored into the labor estimate. I certainly wouldn’t be terribly impressed with a shop that didn’t know how to perform the work prior to providing an estimate.
For me, the only reason why a second bleed would be necessary is that some fluid is isolated somewhere (which may be the case). But I would think that if some of that isolated fluid is contaminated then it will find its way out the next time you bleed (flush) the brakes.
 
For me, the only reason why a second bleed would be necessary is that some fluid is isolated somewhere (which may be the case). But I would think that if some of that isolated fluid is contaminated then it will find its way out the next time you bleed (flush) the brakes.

I agree. If you replace 90-95% of the old fluid, it’s a success. However, if some fluid is truly “isolated” it will never get replaced without bleeding at the TMC. I’d also speculate that the TMC, with the brake pedal simulator, might be a more delicate flower that a piston on a caliper, so possibly more sensitive to the ill effects of contaminated fluid or air in the system.
 
I recently had my 2018 Clarity serviced and it had the A017 service required turned on. The dealer charged $141.95 which included $33.95 for the Brake fluid and $108 labor.
 
I read through the Accord service bulletin. The only difference in brake fluid change procedure between the Accord and a normal car was the additional bleed needed at the tadem motor cylinder. The procedure stated that 2 person were needed. But I think most places use pump/vacuum to suck the fluid out instead of pumping the brake via the pedal.
Good info BTW. I would never know to bleed the tandem motor to replace the fluid.

Thx
 
I agree. If you replace 90-95% of the old fluid, it’s a success. However, if some fluid is truly “isolated” it will never get replaced without bleeding at the TMC. I’d also speculate that the TMC, with the brake pedal simulator, might be a more delicate flower that a piston on a caliper, so possibly more sensitive to the ill effects of contaminated fluid or air in the system.
And I haven’t looked but has anyone noticed where this tandem motor cylinder is located? Does it have a bleeder screw on it?
 
And I haven’t looked but has anyone noticed where this tandem motor cylinder is located? Does it have a bleeder screw on it?

The instructions for the Accord, linked in post #29, shows the TMC’s location under the air intake and sub-reservoir. It also shows that it has 2 bleed screws.
 
The instructions for the Accord, linked in post #29, shows the TMC’s location under the air intake and sub-reservoir. It also shows that it has 2 bleed screws.
Ah, now I’m starting to understand. This cylinder is what achieves “power brakes” on the hybrids instead of the traditional vacuum power assist.
 
I checked the brake system in our car and it is different then the Accord. There is a bleed valve in the brake simulator that is near the brake reservoir. The second bleed and third valve is on at the back, passenger side under the "high voltage" warning sign. Honda call it Cylinder Set, Slave, PN:46806-TRW-A00 , which is part of the Tandom motor So there are a total of 3 bleed valves under the hood and obviously 1 at each wheel.
For all of the DIY'ers (me included), make sure you get a BIG bottle of fluid when changing the it. Looks like a lot of fluid will need replacing, lots of bleeding and lots of waste. I think I will get my money's worth on my fluid extractor on my next brake fluid change.
 
For flushing the brake fluid, I think you want to replace the fluid in the master cylinder reservoir first then bleed the wheel cylinders.
I prefer to do this with the pistons collapsed and I run a quart through for all 4 wheels.
The moisture contamination will be generally at the points of air contact (master and wheel cylinders) and not so much the inner components.
Just because there are bleed valves in the internal components for purging air doesn't mean they are needed for flushing.
For $150, I don't see the dealership spending an hour on their version of a flush.
 
If you are in there, it's a good idea to pull the calipers, check everything out, and grease the sliders.
I'm due when the weather improves.
 
Back
Top